Poptávám: Napínák DIN 1480
| Poptávka zadána dne: | 2022-03-02 11:37:56 |
| Země zadavatele: | Jižní Korea |
| Kategorie poptávky: | Ostatní spojovací materiály |
| Stav poptávky: | Aktivní |
Pozor! Tato poptávka byla zadána před více než 150 dny a může být neaktuální.
Ostatní spojovací materiály se slevou? Zadejte si zdarma poptávku a získejte ty nejlepší nabídky.
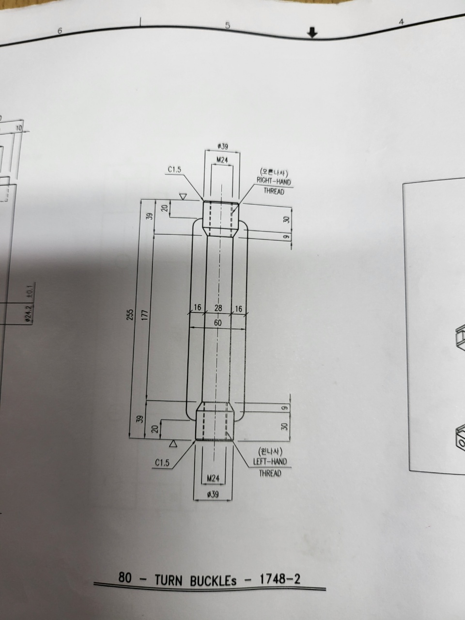
Naléhavě potřebujeme napínák 1480 .
Viz níže.
- DIN 1480
-M24 * 255L
_SF45
-165ks
- Cíl: Jižní Korea
Sdělte mi prosím cenu a datum odeslání.
Připojený soubor:
6760-1646217476-202072-1.jpg
Kontakt poptávajícího
Pro získání kontaktu musíte být registrován a přihlášen.
PřihlášeníZapomněli jste heslo?
Nejste registrovaní?
Máte zájem o kontakt k této poptávce a mnoha dalším z Vašeho oboru?
- Každý den nové firemní poptávky pro Vaše podnikání.
- Buďte součástí naseho systému a můžete vybírat mezi množstvím poptávek jejichž průměrná hodnota se pohybuje okolo 15000 EUR.