Poptávám: DIN 927
| Poptávka zadána dne: | 2021-05-11 14:03:40 |
| Země zadavatele: | Izrael |
| Kategorie poptávky: | Šrouby a Vruty |
| Stav poptávky: | Aktivní |
Pozor! Tato poptávka byla zadána před více než 150 dny a může být neaktuální.
Šrouby a Vruty se slevou? Zadejte si zdarma poptávku a získejte ty nejlepší nabídky.
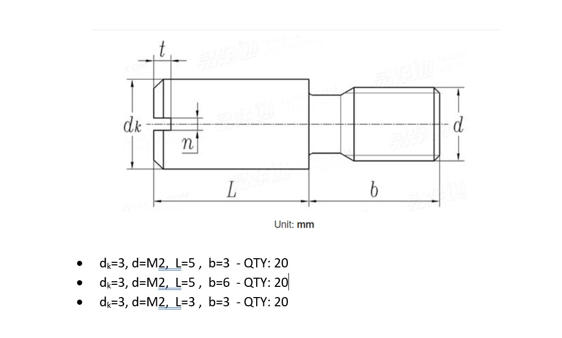
Potřebujeme šrouby M2 s drážkou, DIN 927, viz přiloženo. Prosím citujte.
M2, L = 5, b = 3 množství 20ks
M2, L = 5, b = 6 množství 20ks
M2, L = 3, b = 3 množství 20ks
Děkuju
Připojený soubor:
4985-1620734620-125834-1.png
Kontakt poptávajícího
Pro získání kontaktu musíte být registrován a přihlášen.
PřihlášeníZapomněli jste heslo?
Nejste registrovaní?
Máte zájem o kontakt k této poptávce a mnoha dalším z Vašeho oboru?
- Každý den nové firemní poptávky pro Vaše podnikání.
- Buďte součástí naseho systému a můžete vybírat mezi množstvím poptávek jejichž průměrná hodnota se pohybuje okolo 15000 EUR.