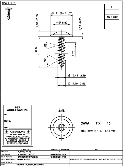
Poptávám: Šroub 4x17
| Poptávka zadána dne: | 2025-09-01 13:53:23 |
| Země zadavatele: | Srbsko |
| Kategorie poptávky: | Šrouby a Vruty |
| Stav poptávky: | Aktivní |
Pozor! Tato poptávka byla zadána před více než 150 dny a může být neaktuální.
Šrouby a Vruty se slevou? Zadejte si zdarma poptávku a získejte ty nejlepší nabídky.
Hledám konkrétní šroub, podrobnosti jsou v příloze.
Máte něco takového skladem? Pokud ano, mohli byste mi udělat nabídku?
Naše měsíční poptávka je kolem 100 tisíc.
Děkuji.
Připojený soubor:
11448-1756727603-29249-1.png
Kontakt poptávajícího
Pro získání kontaktu musíte být registrován a přihlášen.
PřihlášeníZapomněli jste heslo?
Nejste registrovaní?
Máte zájem o kontakt k této poptávce a mnoha dalším z Vašeho oboru?
- Každý den nové firemní poptávky pro Vaše podnikání.
- Buďte součástí naseho systému a můžete vybírat mezi množstvím poptávek jejichž průměrná hodnota se pohybuje okolo 15000 EUR.